当前位置:首页>java>你所写的代码,在单片机里是怎样“算”出结果的?

你所写的代码,在单片机里是怎样“算”出结果的?

  • 2026-02-07 04:45:21
你所写的代码,在单片机里是怎样“算”出结果的?
作为一名汽车电子软件工程师,你是否曾好奇过:自己精心编写的算法与运算逻辑,究竟是如何在单片机内部被“执行”出来的?当代码中的一行 c = a + b; 被编译后,单片机到底做了什么?了解这个底层过程,不仅能让你写出更高效的代码,还能在技术面试中脱颖而出,成为区别普通开发者与真正硬核工程师的关键。

---------------从零学嵌入式---------------

ENTER TITLE
从半加器开始:二进制运算的最基本单元

要理解单片机如何做加法,我们必须回到最基础的逻辑层面——半加器(Half Adder)。这是所有二进制算术运算的起点。

所谓半加器,是用于对两个一位二进制数进行相加的组合逻辑电路。它有两个输入(A 和 B,代表两个待加的位),并产生两个输出:

  • S(Sum,本位和):当前位的计算结果(0 或 1)。

  • CO(Carry-Out,进位输出):指示是否需要向更高位进位(1表示进位,0则不进)。

它的工作逻辑可以用一个简单的真值表来概括:

A
B
S
CO
0
0
0
0
0
1
1
0
1
0
1
0
1
1
0
1

观察上表,你会发现:

  • 输出 S 恰好是 A 与 B 的“异或”(XOR) 结果。即只有输入不同时,输出才为1。这也解释了为什么异或运算有时被称为“模2加”。

  • 输出 CO 恰好是 A 与 B 的“与”(AND) 结果。即只有输入都为1时,才需要向高位进位。

因此,一个最简单的半加器,可以用一个异或门和一个与门直接实现。

为什么它叫“半”加器?因为它只完成了加法的一半工作——它没有考虑来自更低一位的进位。在实际的多位数相加中,除了最低位,每一位的加法都需要处理来自低位的进位。因此,半加器通常只用于加法运算的最低位,或者作为构建更完整加法器的基本模块。

对于汽车电子工程师而言,理解半加器意味着理解任何复杂运算在硅片上的最初形态。它简单,但却是构建所有算术逻辑单元(ALU)的基石。

---------------从零学嵌入式---------------

ENTER TITLE
全加器:构建现实运算的核心模块

既然半加器能力有限,我们就需要功能更完整的全加器(Full Adder)。全加器是实际构成单片机运算单元的核心。

全加器在半导体设计上增加了对 “进位输入(CI)” 的处理,使其能够完美模拟多位数加法中任意一位的完整计算过程。因此,它有三个输入:

  • A:当前位的第一个加数

  • B:当前位的第二个加数

  • CI(Carry-In):来自低一位的进位信号

它同样产生两个输出:

  • S(Sum):考虑了所有输入后的本位和。

  • CO(Carry-Out):本位相加后,是否需要向更高位进位。

其真值表清晰地反映了三输入相加(模2加)的逻辑:

A
B
CI
S
CO
0
0
0
0
0
0
0
1
1
0
0
1
0
1
0
0
1
1
0
1
1
0
0
1
0
1
0
1
0
1
1
1
0
0
1
1
1
1
1
1

分析输出S的列,你会发现一个有趣的规律:当输入A、B、CI中“1”的个数为奇数时,S为1;反之则为0。这正是三输入异或的逻辑。

而输出CO的规律则体现了“多数表决”或“过半进位”的思想:当输入中“1”的个数大于等于2时,CO为1。因为二进制加法中,任何位上出现两个或以上的“1”,必然产生向上进位。

在电路实现上,全加器可以由两个半加器和一个或门组合而成。其内部逻辑可以这样理解:

  1. 第一个半加器计算 A 与 B 的“半加和”及“半加进位”。

  2. 第二个半加器将上一步的“半加和”与进位输入 CI 相加,得到最终的本位和 S。

  3. 最终的进位输出 CO,由第一个半加器产生的进位,与第二个半加器产生的进位,通过一个“或”门决定(只要有任何一步产生进位,最终就需要进位)。

全加器与半加器的符号区别在电路图中,全加器与半加器使用相似的矩形框符号,内部都有求和符“Σ”。关键区别在于:

  • 全加器有明确的 CI(进位输入) 和 CO(进位输出) 引脚标注。

  • 半加器没有CI输入。

理解全加器,你就理解了单片机CPU中算术逻辑单元(ALU) 最核心的加法功能是如何一步一阶搭建起来的。你的每一行涉及加法的C代码,最终都会被翻译成由成千上万个这样的全加器组成的硬件电路的协同工作。

---------------从零学嵌入式---------------

ENTER TITLE
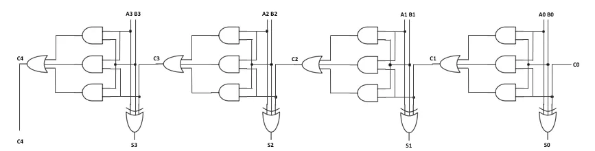
串联与并行:多位加法器的实现与性能抉择

单个全加器只能处理一位加法。汽车电子中处理的传感器数据、控制参数、CRC校验值等,通常是8位、16位甚至32位的。如何用全加器处理多位加法?

有两种主流的构建方式,体现了硬件设计中对速度资源的不同权衡。

1. 行波进位加法器(Ripple Carry Adder, RCA)这是最直观、最简单的连接方式。将N个全加器串联起来,低一位的进位输出(CO)直接连接到高一位的进位输入(CI)。

  • 优点:电路结构极其简单,使用的逻辑门数量少,面积小,功耗相对较低。

  • 致命缺点:速度慢。因为高位必须等待低位的进位计算完成后才能开始计算,进位信号像“涟漪”一样从最低位逐级传播到最高位。对于32位加法,最坏情况下需要经过32个全加器的延迟时间,这在高速处理器中是无法接受的。

2. 超前进位加法器(Look-ahead Carry Adder, LCA)为了解决行波进位的速度瓶颈,工程师发明了超前进位技术。其核心思想是:不等待低位的进位结果,而是通过专门的逻辑电路,直接根据所有位的输入A、B,并行计算出每一位的进位信号

  • 原理:进位信号CI(i)其实只依赖于最初的输入A(0..i-1)和B(0..i-1)。通过逻辑公式展开,可以提前计算出各级进位。这需要增加额外的“超前进位生成逻辑”电路。

  • 优点:极大地提高了加法速度,尤其是对于位数较多的运算。现代高性能CPU的ALU普遍采用类似思想或更先进的变种。

  • 缺点:电路复杂度随位数增加而显著增加,占用更多的芯片面积,功耗也更高。

汽车电子中的现实考量在汽车微控制器(MCU)中,设计者需要在性能、功耗、成本(芯片面积)和可靠性之间取得平衡。

  • 对于面向车身控制、低功耗管理的普通MCU,可能会采用改进型的行波进位或简单的超前进位结构,以优先满足低功耗和低成本要求。

  • 对于处理发动机控制、高级驾驶辅助系统(ADAS)信号处理的高性能MCU或DSP,则会采用更复杂的快速加法器结构(如并行前缀加法器),以确保在严格的时间约束内完成复杂的算术运算。

作为一名软件工程师,理解这些硬件实现方式,能让你更深刻地领会:

  • 为什么某些运算(如连续加法)在嵌入式系统中需要注意性能? 因为硬件进位延迟是真实存在的。

  • 编译器优化的边界在哪里? 硬件结构决定了某些并行化或指令重排的潜在收益。

  • 如何选择数据类型? 了解MCU的ALU位宽(如32位),避免不必要的多精度运算开销。

---------------从零学嵌入式---------------

ENTER TITLE
结尾

从简单的与门、异或门构成的半加器,到功能完备的全加器,再到由数百个全加器以精妙方式连接构成的32位ALU,这条技术链条清晰地展示了硬件是如何将最基础的布尔逻辑,一步步抽象为能够执行复杂算术运算的强大引擎。

当你下次在IDE中写下一条赋值或运算语句时,希望你能在脑海中浮现出这幅图景:编译器将其转化为特定的机器指令,CPU的控制器解码指令,从寄存器中取出数据,送入那一片由无数个微小全加器组成的“数字海洋”中进行汹涌澎湃的位运算,最终将结果写回。这个过程在几纳秒内完成,却支撑着整个汽车电子系统的智能决策与控制。

这份对硬件底层运作机制的理解,正是高级软件工程师与初级编码者的分水岭。它让你不仅能“写出”代码,更能“预见”代码在芯片上的行为,从而设计出更高效、更可靠、更贴合硬件特性的嵌入式软件。在技术面试中,这更是展现你扎实基本功和深厚技术洞察力的绝佳话题。持续深入这种从软件到硬件的贯通式学习,必将为你的职业发展注入强大的核心竞争力。

---------------从零学嵌入式---------------


加入群聊可获得

面试

资料

100+企业面试案例

学习

路线

汽车开发学习路线

学习

指导

多名10年+大厂经验

工程师在线指导

学习

交流

众多开发者一起交流

助力你提升技能

王老师的小程序👇👇点击即达!!!
扫码直接进入汽车嵌入式交流群

最新文章

随机文章

基本 文件 流程 错误 SQL 调试
  1. 请求信息 : 2026-02-07 22:01:36 HTTP/2.0 GET : https://f.mffb.com.cn/a/468458.html
  2. 运行时间 : 0.085987s [ 吞吐率:11.63req/s ] 内存消耗:4,636.06kb 文件加载:140
  3. 缓存信息 : 0 reads,0 writes
  4. 会话信息 : SESSION_ID=697a4ac79ca12e17755a79e5b9db94b3
  1. /yingpanguazai/ssd/ssd1/www/f.mffb.com.cn/public/index.php ( 0.79 KB )
  2. /yingpanguazai/ssd/ssd1/www/f.mffb.com.cn/vendor/autoload.php ( 0.17 KB )
  3. /yingpanguazai/ssd/ssd1/www/f.mffb.com.cn/vendor/composer/autoload_real.php ( 2.49 KB )
  4. /yingpanguazai/ssd/ssd1/www/f.mffb.com.cn/vendor/composer/platform_check.php ( 0.90 KB )
  5. /yingpanguazai/ssd/ssd1/www/f.mffb.com.cn/vendor/composer/ClassLoader.php ( 14.03 KB )
  6. /yingpanguazai/ssd/ssd1/www/f.mffb.com.cn/vendor/composer/autoload_static.php ( 4.90 KB )
  7. /yingpanguazai/ssd/ssd1/www/f.mffb.com.cn/vendor/topthink/think-helper/src/helper.php ( 8.34 KB )
  8. /yingpanguazai/ssd/ssd1/www/f.mffb.com.cn/vendor/topthink/think-validate/src/helper.php ( 2.19 KB )
  9. /yingpanguazai/ssd/ssd1/www/f.mffb.com.cn/vendor/topthink/think-orm/src/helper.php ( 1.47 KB )
  10. /yingpanguazai/ssd/ssd1/www/f.mffb.com.cn/vendor/topthink/think-orm/stubs/load_stubs.php ( 0.16 KB )
  11. /yingpanguazai/ssd/ssd1/www/f.mffb.com.cn/vendor/topthink/framework/src/think/Exception.php ( 1.69 KB )
  12. /yingpanguazai/ssd/ssd1/www/f.mffb.com.cn/vendor/topthink/think-container/src/Facade.php ( 2.71 KB )
  13. /yingpanguazai/ssd/ssd1/www/f.mffb.com.cn/vendor/symfony/deprecation-contracts/function.php ( 0.99 KB )
  14. /yingpanguazai/ssd/ssd1/www/f.mffb.com.cn/vendor/symfony/polyfill-mbstring/bootstrap.php ( 8.26 KB )
  15. /yingpanguazai/ssd/ssd1/www/f.mffb.com.cn/vendor/symfony/polyfill-mbstring/bootstrap80.php ( 9.78 KB )
  16. /yingpanguazai/ssd/ssd1/www/f.mffb.com.cn/vendor/symfony/var-dumper/Resources/functions/dump.php ( 1.49 KB )
  17. /yingpanguazai/ssd/ssd1/www/f.mffb.com.cn/vendor/topthink/think-dumper/src/helper.php ( 0.18 KB )
  18. /yingpanguazai/ssd/ssd1/www/f.mffb.com.cn/vendor/symfony/var-dumper/VarDumper.php ( 4.30 KB )
  19. /yingpanguazai/ssd/ssd1/www/f.mffb.com.cn/vendor/topthink/framework/src/think/App.php ( 15.30 KB )
  20. /yingpanguazai/ssd/ssd1/www/f.mffb.com.cn/vendor/topthink/think-container/src/Container.php ( 15.76 KB )
  21. /yingpanguazai/ssd/ssd1/www/f.mffb.com.cn/vendor/psr/container/src/ContainerInterface.php ( 1.02 KB )
  22. /yingpanguazai/ssd/ssd1/www/f.mffb.com.cn/app/provider.php ( 0.19 KB )
  23. /yingpanguazai/ssd/ssd1/www/f.mffb.com.cn/vendor/topthink/framework/src/think/Http.php ( 6.04 KB )
  24. /yingpanguazai/ssd/ssd1/www/f.mffb.com.cn/vendor/topthink/think-helper/src/helper/Str.php ( 7.29 KB )
  25. /yingpanguazai/ssd/ssd1/www/f.mffb.com.cn/vendor/topthink/framework/src/think/Env.php ( 4.68 KB )
  26. /yingpanguazai/ssd/ssd1/www/f.mffb.com.cn/app/common.php ( 0.03 KB )
  27. /yingpanguazai/ssd/ssd1/www/f.mffb.com.cn/vendor/topthink/framework/src/helper.php ( 18.78 KB )
  28. /yingpanguazai/ssd/ssd1/www/f.mffb.com.cn/vendor/topthink/framework/src/think/Config.php ( 5.54 KB )
  29. /yingpanguazai/ssd/ssd1/www/f.mffb.com.cn/config/app.php ( 0.95 KB )
  30. /yingpanguazai/ssd/ssd1/www/f.mffb.com.cn/config/cache.php ( 0.78 KB )
  31. /yingpanguazai/ssd/ssd1/www/f.mffb.com.cn/config/console.php ( 0.23 KB )
  32. /yingpanguazai/ssd/ssd1/www/f.mffb.com.cn/config/cookie.php ( 0.56 KB )
  33. /yingpanguazai/ssd/ssd1/www/f.mffb.com.cn/config/database.php ( 2.48 KB )
  34. /yingpanguazai/ssd/ssd1/www/f.mffb.com.cn/vendor/topthink/framework/src/think/facade/Env.php ( 1.67 KB )
  35. /yingpanguazai/ssd/ssd1/www/f.mffb.com.cn/config/filesystem.php ( 0.61 KB )
  36. /yingpanguazai/ssd/ssd1/www/f.mffb.com.cn/config/lang.php ( 0.91 KB )
  37. /yingpanguazai/ssd/ssd1/www/f.mffb.com.cn/config/log.php ( 1.35 KB )
  38. /yingpanguazai/ssd/ssd1/www/f.mffb.com.cn/config/middleware.php ( 0.19 KB )
  39. /yingpanguazai/ssd/ssd1/www/f.mffb.com.cn/config/route.php ( 1.89 KB )
  40. /yingpanguazai/ssd/ssd1/www/f.mffb.com.cn/config/session.php ( 0.57 KB )
  41. /yingpanguazai/ssd/ssd1/www/f.mffb.com.cn/config/trace.php ( 0.34 KB )
  42. /yingpanguazai/ssd/ssd1/www/f.mffb.com.cn/config/view.php ( 0.82 KB )
  43. /yingpanguazai/ssd/ssd1/www/f.mffb.com.cn/app/event.php ( 0.25 KB )
  44. /yingpanguazai/ssd/ssd1/www/f.mffb.com.cn/vendor/topthink/framework/src/think/Event.php ( 7.67 KB )
  45. /yingpanguazai/ssd/ssd1/www/f.mffb.com.cn/app/service.php ( 0.13 KB )
  46. /yingpanguazai/ssd/ssd1/www/f.mffb.com.cn/app/AppService.php ( 0.26 KB )
  47. /yingpanguazai/ssd/ssd1/www/f.mffb.com.cn/vendor/topthink/framework/src/think/Service.php ( 1.64 KB )
  48. /yingpanguazai/ssd/ssd1/www/f.mffb.com.cn/vendor/topthink/framework/src/think/Lang.php ( 7.35 KB )
  49. /yingpanguazai/ssd/ssd1/www/f.mffb.com.cn/vendor/topthink/framework/src/lang/zh-cn.php ( 13.70 KB )
  50. /yingpanguazai/ssd/ssd1/www/f.mffb.com.cn/vendor/topthink/framework/src/think/initializer/Error.php ( 3.31 KB )
  51. /yingpanguazai/ssd/ssd1/www/f.mffb.com.cn/vendor/topthink/framework/src/think/initializer/RegisterService.php ( 1.33 KB )
  52. /yingpanguazai/ssd/ssd1/www/f.mffb.com.cn/vendor/services.php ( 0.14 KB )
  53. /yingpanguazai/ssd/ssd1/www/f.mffb.com.cn/vendor/topthink/framework/src/think/service/PaginatorService.php ( 1.52 KB )
  54. /yingpanguazai/ssd/ssd1/www/f.mffb.com.cn/vendor/topthink/framework/src/think/service/ValidateService.php ( 0.99 KB )
  55. /yingpanguazai/ssd/ssd1/www/f.mffb.com.cn/vendor/topthink/framework/src/think/service/ModelService.php ( 2.04 KB )
  56. /yingpanguazai/ssd/ssd1/www/f.mffb.com.cn/vendor/topthink/think-trace/src/Service.php ( 0.77 KB )
  57. /yingpanguazai/ssd/ssd1/www/f.mffb.com.cn/vendor/topthink/framework/src/think/Middleware.php ( 6.72 KB )
  58. /yingpanguazai/ssd/ssd1/www/f.mffb.com.cn/vendor/topthink/framework/src/think/initializer/BootService.php ( 0.77 KB )
  59. /yingpanguazai/ssd/ssd1/www/f.mffb.com.cn/vendor/topthink/think-orm/src/Paginator.php ( 11.86 KB )
  60. /yingpanguazai/ssd/ssd1/www/f.mffb.com.cn/vendor/topthink/think-validate/src/Validate.php ( 63.20 KB )
  61. /yingpanguazai/ssd/ssd1/www/f.mffb.com.cn/vendor/topthink/think-orm/src/Model.php ( 23.55 KB )
  62. /yingpanguazai/ssd/ssd1/www/f.mffb.com.cn/vendor/topthink/think-orm/src/model/concern/Attribute.php ( 21.05 KB )
  63. /yingpanguazai/ssd/ssd1/www/f.mffb.com.cn/vendor/topthink/think-orm/src/model/concern/AutoWriteData.php ( 4.21 KB )
  64. /yingpanguazai/ssd/ssd1/www/f.mffb.com.cn/vendor/topthink/think-orm/src/model/concern/Conversion.php ( 6.44 KB )
  65. /yingpanguazai/ssd/ssd1/www/f.mffb.com.cn/vendor/topthink/think-orm/src/model/concern/DbConnect.php ( 5.16 KB )
  66. /yingpanguazai/ssd/ssd1/www/f.mffb.com.cn/vendor/topthink/think-orm/src/model/concern/ModelEvent.php ( 2.33 KB )
  67. /yingpanguazai/ssd/ssd1/www/f.mffb.com.cn/vendor/topthink/think-orm/src/model/concern/RelationShip.php ( 28.29 KB )
  68. /yingpanguazai/ssd/ssd1/www/f.mffb.com.cn/vendor/topthink/think-helper/src/contract/Arrayable.php ( 0.09 KB )
  69. /yingpanguazai/ssd/ssd1/www/f.mffb.com.cn/vendor/topthink/think-helper/src/contract/Jsonable.php ( 0.13 KB )
  70. /yingpanguazai/ssd/ssd1/www/f.mffb.com.cn/vendor/topthink/think-orm/src/model/contract/Modelable.php ( 0.09 KB )
  71. /yingpanguazai/ssd/ssd1/www/f.mffb.com.cn/vendor/topthink/framework/src/think/Db.php ( 2.88 KB )
  72. /yingpanguazai/ssd/ssd1/www/f.mffb.com.cn/vendor/topthink/think-orm/src/DbManager.php ( 8.52 KB )
  73. /yingpanguazai/ssd/ssd1/www/f.mffb.com.cn/vendor/topthink/framework/src/think/Log.php ( 6.28 KB )
  74. /yingpanguazai/ssd/ssd1/www/f.mffb.com.cn/vendor/topthink/framework/src/think/Manager.php ( 3.92 KB )
  75. /yingpanguazai/ssd/ssd1/www/f.mffb.com.cn/vendor/psr/log/src/LoggerTrait.php ( 2.69 KB )
  76. /yingpanguazai/ssd/ssd1/www/f.mffb.com.cn/vendor/psr/log/src/LoggerInterface.php ( 2.71 KB )
  77. /yingpanguazai/ssd/ssd1/www/f.mffb.com.cn/vendor/topthink/framework/src/think/Cache.php ( 4.92 KB )
  78. /yingpanguazai/ssd/ssd1/www/f.mffb.com.cn/vendor/psr/simple-cache/src/CacheInterface.php ( 4.71 KB )
  79. /yingpanguazai/ssd/ssd1/www/f.mffb.com.cn/vendor/topthink/think-helper/src/helper/Arr.php ( 16.63 KB )
  80. /yingpanguazai/ssd/ssd1/www/f.mffb.com.cn/vendor/topthink/framework/src/think/cache/driver/File.php ( 7.84 KB )
  81. /yingpanguazai/ssd/ssd1/www/f.mffb.com.cn/vendor/topthink/framework/src/think/cache/Driver.php ( 9.03 KB )
  82. /yingpanguazai/ssd/ssd1/www/f.mffb.com.cn/vendor/topthink/framework/src/think/contract/CacheHandlerInterface.php ( 1.99 KB )
  83. /yingpanguazai/ssd/ssd1/www/f.mffb.com.cn/app/Request.php ( 0.09 KB )
  84. /yingpanguazai/ssd/ssd1/www/f.mffb.com.cn/vendor/topthink/framework/src/think/Request.php ( 55.78 KB )
  85. /yingpanguazai/ssd/ssd1/www/f.mffb.com.cn/app/middleware.php ( 0.25 KB )
  86. /yingpanguazai/ssd/ssd1/www/f.mffb.com.cn/vendor/topthink/framework/src/think/Pipeline.php ( 2.61 KB )
  87. /yingpanguazai/ssd/ssd1/www/f.mffb.com.cn/vendor/topthink/think-trace/src/TraceDebug.php ( 3.40 KB )
  88. /yingpanguazai/ssd/ssd1/www/f.mffb.com.cn/vendor/topthink/framework/src/think/middleware/SessionInit.php ( 1.94 KB )
  89. /yingpanguazai/ssd/ssd1/www/f.mffb.com.cn/vendor/topthink/framework/src/think/Session.php ( 1.80 KB )
  90. /yingpanguazai/ssd/ssd1/www/f.mffb.com.cn/vendor/topthink/framework/src/think/session/driver/File.php ( 6.27 KB )
  91. /yingpanguazai/ssd/ssd1/www/f.mffb.com.cn/vendor/topthink/framework/src/think/contract/SessionHandlerInterface.php ( 0.87 KB )
  92. /yingpanguazai/ssd/ssd1/www/f.mffb.com.cn/vendor/topthink/framework/src/think/session/Store.php ( 7.12 KB )
  93. /yingpanguazai/ssd/ssd1/www/f.mffb.com.cn/vendor/topthink/framework/src/think/Route.php ( 23.73 KB )
  94. /yingpanguazai/ssd/ssd1/www/f.mffb.com.cn/vendor/topthink/framework/src/think/route/RuleName.php ( 5.75 KB )
  95. /yingpanguazai/ssd/ssd1/www/f.mffb.com.cn/vendor/topthink/framework/src/think/route/Domain.php ( 2.53 KB )
  96. /yingpanguazai/ssd/ssd1/www/f.mffb.com.cn/vendor/topthink/framework/src/think/route/RuleGroup.php ( 22.43 KB )
  97. /yingpanguazai/ssd/ssd1/www/f.mffb.com.cn/vendor/topthink/framework/src/think/route/Rule.php ( 26.95 KB )
  98. /yingpanguazai/ssd/ssd1/www/f.mffb.com.cn/vendor/topthink/framework/src/think/route/RuleItem.php ( 9.78 KB )
  99. /yingpanguazai/ssd/ssd1/www/f.mffb.com.cn/route/app.php ( 1.72 KB )
  100. /yingpanguazai/ssd/ssd1/www/f.mffb.com.cn/vendor/topthink/framework/src/think/facade/Route.php ( 4.70 KB )
  101. /yingpanguazai/ssd/ssd1/www/f.mffb.com.cn/vendor/topthink/framework/src/think/route/dispatch/Controller.php ( 4.74 KB )
  102. /yingpanguazai/ssd/ssd1/www/f.mffb.com.cn/vendor/topthink/framework/src/think/route/Dispatch.php ( 10.44 KB )
  103. /yingpanguazai/ssd/ssd1/www/f.mffb.com.cn/app/controller/Index.php ( 4.81 KB )
  104. /yingpanguazai/ssd/ssd1/www/f.mffb.com.cn/app/BaseController.php ( 2.05 KB )
  105. /yingpanguazai/ssd/ssd1/www/f.mffb.com.cn/vendor/topthink/think-orm/src/facade/Db.php ( 0.93 KB )
  106. /yingpanguazai/ssd/ssd1/www/f.mffb.com.cn/vendor/topthink/think-orm/src/db/connector/Mysql.php ( 5.44 KB )
  107. /yingpanguazai/ssd/ssd1/www/f.mffb.com.cn/vendor/topthink/think-orm/src/db/PDOConnection.php ( 52.47 KB )
  108. /yingpanguazai/ssd/ssd1/www/f.mffb.com.cn/vendor/topthink/think-orm/src/db/Connection.php ( 8.39 KB )
  109. /yingpanguazai/ssd/ssd1/www/f.mffb.com.cn/vendor/topthink/think-orm/src/db/ConnectionInterface.php ( 4.57 KB )
  110. /yingpanguazai/ssd/ssd1/www/f.mffb.com.cn/vendor/topthink/think-orm/src/db/builder/Mysql.php ( 16.58 KB )
  111. /yingpanguazai/ssd/ssd1/www/f.mffb.com.cn/vendor/topthink/think-orm/src/db/Builder.php ( 24.06 KB )
  112. /yingpanguazai/ssd/ssd1/www/f.mffb.com.cn/vendor/topthink/think-orm/src/db/BaseBuilder.php ( 27.50 KB )
  113. /yingpanguazai/ssd/ssd1/www/f.mffb.com.cn/vendor/topthink/think-orm/src/db/Query.php ( 15.71 KB )
  114. /yingpanguazai/ssd/ssd1/www/f.mffb.com.cn/vendor/topthink/think-orm/src/db/BaseQuery.php ( 45.13 KB )
  115. /yingpanguazai/ssd/ssd1/www/f.mffb.com.cn/vendor/topthink/think-orm/src/db/concern/TimeFieldQuery.php ( 7.43 KB )
  116. /yingpanguazai/ssd/ssd1/www/f.mffb.com.cn/vendor/topthink/think-orm/src/db/concern/AggregateQuery.php ( 3.26 KB )
  117. /yingpanguazai/ssd/ssd1/www/f.mffb.com.cn/vendor/topthink/think-orm/src/db/concern/ModelRelationQuery.php ( 20.07 KB )
  118. /yingpanguazai/ssd/ssd1/www/f.mffb.com.cn/vendor/topthink/think-orm/src/db/concern/ParamsBind.php ( 3.66 KB )
  119. /yingpanguazai/ssd/ssd1/www/f.mffb.com.cn/vendor/topthink/think-orm/src/db/concern/ResultOperation.php ( 7.01 KB )
  120. /yingpanguazai/ssd/ssd1/www/f.mffb.com.cn/vendor/topthink/think-orm/src/db/concern/WhereQuery.php ( 19.37 KB )
  121. /yingpanguazai/ssd/ssd1/www/f.mffb.com.cn/vendor/topthink/think-orm/src/db/concern/JoinAndViewQuery.php ( 7.11 KB )
  122. /yingpanguazai/ssd/ssd1/www/f.mffb.com.cn/vendor/topthink/think-orm/src/db/concern/TableFieldInfo.php ( 2.63 KB )
  123. /yingpanguazai/ssd/ssd1/www/f.mffb.com.cn/vendor/topthink/think-orm/src/db/concern/Transaction.php ( 2.77 KB )
  124. /yingpanguazai/ssd/ssd1/www/f.mffb.com.cn/vendor/topthink/framework/src/think/log/driver/File.php ( 5.96 KB )
  125. /yingpanguazai/ssd/ssd1/www/f.mffb.com.cn/vendor/topthink/framework/src/think/contract/LogHandlerInterface.php ( 0.86 KB )
  126. /yingpanguazai/ssd/ssd1/www/f.mffb.com.cn/vendor/topthink/framework/src/think/log/Channel.php ( 3.89 KB )
  127. /yingpanguazai/ssd/ssd1/www/f.mffb.com.cn/vendor/topthink/framework/src/think/event/LogRecord.php ( 1.02 KB )
  128. /yingpanguazai/ssd/ssd1/www/f.mffb.com.cn/vendor/topthink/think-helper/src/Collection.php ( 16.47 KB )
  129. /yingpanguazai/ssd/ssd1/www/f.mffb.com.cn/vendor/topthink/framework/src/think/facade/View.php ( 1.70 KB )
  130. /yingpanguazai/ssd/ssd1/www/f.mffb.com.cn/vendor/topthink/framework/src/think/View.php ( 4.39 KB )
  131. /yingpanguazai/ssd/ssd1/www/f.mffb.com.cn/vendor/topthink/framework/src/think/Response.php ( 8.81 KB )
  132. /yingpanguazai/ssd/ssd1/www/f.mffb.com.cn/vendor/topthink/framework/src/think/response/View.php ( 3.29 KB )
  133. /yingpanguazai/ssd/ssd1/www/f.mffb.com.cn/vendor/topthink/framework/src/think/Cookie.php ( 6.06 KB )
  134. /yingpanguazai/ssd/ssd1/www/f.mffb.com.cn/vendor/topthink/think-view/src/Think.php ( 8.38 KB )
  135. /yingpanguazai/ssd/ssd1/www/f.mffb.com.cn/vendor/topthink/framework/src/think/contract/TemplateHandlerInterface.php ( 1.60 KB )
  136. /yingpanguazai/ssd/ssd1/www/f.mffb.com.cn/vendor/topthink/think-template/src/Template.php ( 46.61 KB )
  137. /yingpanguazai/ssd/ssd1/www/f.mffb.com.cn/vendor/topthink/think-template/src/template/driver/File.php ( 2.41 KB )
  138. /yingpanguazai/ssd/ssd1/www/f.mffb.com.cn/vendor/topthink/think-template/src/template/contract/DriverInterface.php ( 0.86 KB )
  139. /yingpanguazai/ssd/ssd1/www/f.mffb.com.cn/runtime/temp/067d451b9a0c665040f3f1bdd3293d68.php ( 11.98 KB )
  140. /yingpanguazai/ssd/ssd1/www/f.mffb.com.cn/vendor/topthink/think-trace/src/Html.php ( 4.42 KB )
  1. CONNECT:[ UseTime:0.000839s ] mysql:host=127.0.0.1;port=3306;dbname=f_mffb;charset=utf8mb4
  2. SHOW FULL COLUMNS FROM `fenlei` [ RunTime:0.000888s ]
  3. SELECT * FROM `fenlei` WHERE `fid` = 0 [ RunTime:0.000345s ]
  4. SELECT * FROM `fenlei` WHERE `fid` = 63 [ RunTime:0.000288s ]
  5. SHOW FULL COLUMNS FROM `set` [ RunTime:0.000587s ]
  6. SELECT * FROM `set` [ RunTime:0.000212s ]
  7. SHOW FULL COLUMNS FROM `article` [ RunTime:0.000528s ]
  8. SELECT * FROM `article` WHERE `id` = 468458 LIMIT 1 [ RunTime:0.000642s ]
  9. UPDATE `article` SET `lasttime` = 1770472896 WHERE `id` = 468458 [ RunTime:0.003289s ]
  10. SELECT * FROM `fenlei` WHERE `id` = 65 LIMIT 1 [ RunTime:0.000224s ]
  11. SELECT * FROM `article` WHERE `id` < 468458 ORDER BY `id` DESC LIMIT 1 [ RunTime:0.000523s ]
  12. SELECT * FROM `article` WHERE `id` > 468458 ORDER BY `id` ASC LIMIT 1 [ RunTime:0.000381s ]
  13. SELECT * FROM `article` WHERE `id` < 468458 ORDER BY `id` DESC LIMIT 10 [ RunTime:0.001629s ]
  14. SELECT * FROM `article` WHERE `id` < 468458 ORDER BY `id` DESC LIMIT 10,10 [ RunTime:0.004301s ]
  15. SELECT * FROM `article` WHERE `id` < 468458 ORDER BY `id` DESC LIMIT 20,10 [ RunTime:0.002233s ]
0.087662s